Zobraziť témy bez odpovede | Zobraziť aktívne témy Aktuálny čas je Pon, 22.12.2025, 5:49
Dnes je pondelok 22. decembra 2025, meniny má Adela a zajtra Nadežda




Odpovedať na tému  [ Príspevkov: 9 ] 
 ZJ vymena centralneho zamykania s DO 
Autor Správa
Legenda Offroadu
Obrázok užívateľa

Registrovaný: Štv, 05.10.2006, 10:45
Príspevky: 3010
Bydlisko: Rimavská Sobota
Odpoveď s citáciou
Uz ma prestalo bavit originalne CZ s DO, ktore fungovalo len ked som mieril tesne spoza skla.

Zadovazil som si toto : http://www.autoalarmy.sk/katalog/autodo ... -4-do.html

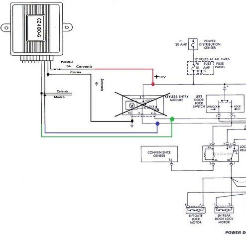
Planujem vsak pouzit len ovladaciu jednotku (OJ) a DO. Ovladacia jednotka komunikuje s originalnymi servomotorcekmi aj len po pripojeni zeleneho a modreho kabla novej OJ na originalny srvomotorcek . Ovladanie tlacidlami vo dverach vsak chcem zachovat, co podstatne komplikuje situaciu. Po studiu el schem. som dospel k zaveru ze novou OJ sa musim pripojit na jedno tlacitko vo dverach, na kontakty UNLOCK a LOCK.
Chcem vsak skusit OJ zabudovat do stropu a tam sa pripojit na kabelaz originalnej OJ.
Co vy na to ? Pozrite shcemy.


Prílohy:
Q.jpg
Q.jpg [ 43.14 KiB | Zobrazené 4275 krát ]
A.jpg
A.jpg [ 37.25 KiB | Zobrazené 4275 krát ]
1.jpg
1.jpg [ 39 KiB | Zobrazené 4275 krát ]

_________________
Bilancia skrývky humusového horizontu poľnohospodárskej pôdy.
Ned, 07.04.2013, 19:26
Profil WWW
OFFROAD Expert
Obrázok užívateľa

Registrovaný: Štv, 05.10.2006, 8:47
Príspevky: 4603
Bydlisko: Hlavná dedina
Odpoveď s citáciou
Dado ide to ja som to mal tak na mojom bývalom bielom. A to som mal ešte fabrické imor. Elektriku to Ti musí kuknúť Palo ja som z toho guľatý :-D

A.

_________________
WJ 2004 4,0l Laredo, 242 štandartne vo výbave - cestná leštenka 2" lift, Bilsteiny
Toyota Auris Tourist Sports 1,6Valvematic, multidrive S
EX Honda Civic 1,5 VVTI
EX JGCH 4l - trochu off
EX JGCH 5,2l - cestná leštenka

email: andrej.durda@gmail.com


Pon, 08.04.2013, 10:31
Profil
koumák
Obrázok užívateľa

Registrovaný: Pia, 06.10.2006, 9:35
Príspevky: 4320
Bydlisko: ZA
Odpoveď s citáciou
Citácia:
Zadovazil som si toto : http://www.autoalarmy.sk/katalog/autodo ... -4-do.html

Planujem vsak pouzit len ovladaciu jednotku (OJ) a DO. Ovladacia jednotka komunikuje s originalnymi servomotorcekmi aj len po pripojeni zeleneho a modreho kabla novej OJ na originalny srvomotorcek . Ovladanie tlacidlami vo dverach vsak chcem zachovat, co podstatne komplikuje situaciu. Po studiu el schem. som dospel k zaveru ze novou OJ sa musim pripojit na jedno tlacitko vo dverach, na kontakty UNLOCK a LOCK.



dado do dveri je to zbytocne - pripoj sa priamo na konektor povodneho prijmaca infra dialkyv stresnej konzole. Su tam vsetky droty co potrebujes. Ak mas fabricke immo tak treba doplnit jedno relatko. Vyber toho modulu tiez nie je uplne stastny, potrebujes nieco, kde vies nastavovat dlzku impulzu a jeho polaritu. Akoze da sa to aj s tym co mas, len sa to blbo robi
lepsie je napriklad http://www.tssgroup.sk/katalog/dialkove-ovladanie-keetec-cz-100-max

Zapojit to je robota asi na 15 minut

_________________
www.facebook.com/jeepparts , www.jeepparts.sk , www.spinsro.sk


Pon, 08.04.2013, 10:41
Profil WWW
Legenda Offroadu
Obrázok užívateľa

Registrovaný: Štv, 05.10.2006, 10:45
Príspevky: 3010
Bydlisko: Rimavská Sobota
Odpoveď s citáciou
Presne tam sa chcem napojit. Tu dlzku impulzu si asi dokaze ta nova jednotka nacitat a upravit sama. Pri skusobnom napojeni, ako keby nieco zapinala a povodne motorceky zacali behat az po 7 - mom stisknuti noveho DO:
Je tam 9 kablov : 1 x kostra
1 x + napajanie
1 x ovladanie Unlock rele - mal by mat PIN č. 4 a mal by byt ruzovy
1 x ovladanie Lock rele - tento neviem mal by to byt PIN č. 3 - žlty + by mal ist z neho cervena/biela do dverneho spinaca.
Ja imobilizer ani alarm nemam.

_________________
Bilancia skrývky humusového horizontu poľnohospodárskej pôdy.


Naposledy upravil dado dňa Pon, 08.04.2013, 12:36, celkovo upravené 1



Pon, 08.04.2013, 11:08
Profil WWW
Legenda Offroadu
Obrázok užívateľa

Registrovaný: Štv, 05.10.2006, 10:45
Príspevky: 3010
Bydlisko: Rimavská Sobota
Odpoveď s citáciou
PIN 10 a 12 ba mali byt - pol, otazka je ktory je trvaly ( pravdepodobne 10 je nim napajane aj relatko).
PIN 4 by malo byt ovladanie relatka odomykania.
PIN 3 by malo byt ovladanie relatka zamykania,
ale aj zaroven napajanie trvaly + pol. Co sa mi zda blbost
Obrázok

V reali je to :
PIN c 1 cerveny/biely
PIN c 2 oranžový/ružový
PIN c 3 oranžový/fialovy
PIN c 4 ruzový/fialový
PIN c 5 modry/oranzovy
PIN c 6 - nič
PIN c 7 fialovy/zlty
PIN c 8 zlty/zeleny
PIN c 9 - nic
PIN c 10 cierny ( doplnene, nejak som zabudol na c 10)
PIN c 11 - nic
PIN c 12 zlty

Cize to sedi presne.

_________________
Bilancia skrývky humusového horizontu poľnohospodárskej pôdy.


Naposledy upravil dado dňa Pon, 08.04.2013, 20:51, celkovo upravené 1



Pon, 08.04.2013, 12:20
Profil WWW
koumák
Obrázok užívateľa

Registrovaný: Pia, 06.10.2006, 9:35
Príspevky: 4320
Bydlisko: ZA
Odpoveď s citáciou
dado nie je to blbost len si trochu nepochopil sposob zapojenia :-)
tie relatka zaroven preklapaju polarit napajania motorov a tym menia smer pohybu

zapojenie mas v PM :-)

_________________
www.facebook.com/jeepparts , www.jeepparts.sk , www.spinsro.sk


Pon, 08.04.2013, 13:52
Profil WWW
Legenda Offroadu
Obrázok užívateľa

Registrovaný: Štv, 05.10.2006, 10:45
Príspevky: 3010
Bydlisko: Rimavská Sobota
Odpoveď s citáciou
Aha, dakujem. Pockam radsej na tu schemu v PM, aby som daco neodpalil.

_________________
Bilancia skrývky humusového horizontu poľnohospodárskej pôdy.


Pon, 08.04.2013, 14:14
Profil WWW
Legenda Offroadu
Obrázok užívateľa

Registrovaný: Štv, 05.10.2006, 10:45
Príspevky: 3010
Bydlisko: Rimavská Sobota
Odpoveď s citáciou
Tak neviem kde je chyba. Vsetko pekne zacalo fachcit aj DO aj dverove spinace ( ale len spolujazdcov) aj pocas zapnuteho zapalovania.
Tak som to ocvakal, odutinkoval, zapojil a..... hovno, hovno.... zacalo vyhadzovat poistku, a dverove spinace uz nejdu vobec. Tak som odpojil - kostru ( cierny) aby som aspon ako tak mohol fungovat. Vtedy poistku nevyhodi.

_________________
Bilancia skrývky humusového horizontu poľnohospodárskej pôdy.


Pon, 08.04.2013, 20:49
Profil WWW
Legenda Offroadu
Obrázok užívateľa

Registrovaný: Štv, 05.10.2006, 10:45
Príspevky: 3010
Bydlisko: Rimavská Sobota
Odpoveď s citáciou
Neviem kde bude chyba ale asi po mesiaci aj novy system DO otvara auto len z bezprostrednej blizkosti prednych dvier. :cry:

_________________
Bilancia skrývky humusového horizontu poľnohospodárskej pôdy.


Str, 29.05.2013, 9:12
Profil WWW
Zobraziť príspevky z predchádzajúceho:  Zoradiť podľa  
Odpovedať na tému   [ Príspevkov: 9 ] 

Kto je on-line

Užívatelia prehliadajúci toto fórum: Žiadny registrovaný užívateľ nie je prítomný


Nemôžete zakladať nové témy v tomto fóre
Nemôžete odpovedať na témy v tomto fóre
Nemôžete upravovať svoje príspevky v tomto fóre
Nemôžete mazať svoje príspevky v tomto fóre
Nemôžete zasielať súbory v tomto fóre

Hľadať:
Skočiť na: